人口计数器_人员计数器价格 人员计数器批发 人员计数器厂家

发布日期:2020-04-23    类别:热点图片

人员计数器价格 人员计数器批发 人员计数器厂家

人口计数器_人员计数器价格 人员计数器批发 人员计数器厂家

JPG,412x429,231KB,250_261

客车人员计数器

人口计数器_人员计数器价格 人员计数器批发 人员计数器厂家

JPG,280x210,231KB,333_250

人员计数器价格 人员计数器批发 人员计数器厂家

人口计数器_人员计数器价格 人员计数器批发 人员计数器厂家

JPG,412x429,128KB,250_261

视频人流量计数器 客流量计数器 人数计数器

人口计数器_人员计数器价格 人员计数器批发 人员计数器厂家

JPG,446x391,234KB,285_250

会展入场人数计数器

人口计数器_人员计数器价格 人员计数器批发 人员计数器厂家

JPG,280x210,231KB,333_250

人员计数器价格 人员计数器批发 人员计数器厂家

人口计数器_人员计数器价格 人员计数器批发 人员计数器厂家

JPG,500x399,174KB,313_250

客流量计数器 人流量计数器 人数统计器 人员计数器

人口计数器_人员计数器价格 人员计数器批发 人员计数器厂家

JPG,500x500,231KB,255_255

链接电脑人流量计数器统计记录门店超市商场客流量红外感应通讯

人口计数器_人员计数器价格 人员计数器批发 人员计数器厂家

JPG,280x210,132KB,333_250

人员计数器价格 人员计数器批发 人员计数器厂家

人口计数器_人员计数器价格 人员计数器批发 人员计数器厂家

JPG,600x296,132KB,508_250

电磁人流量计数器人数统计器 人员 红外检测器 客流量计数器

人口计数器_人员计数器价格 人员计数器批发 人员计数器厂家

JPG,974x907,231KB,267_249

供应交通统计计数器 客 人 流量计数器价格 厂家图片

人口计数器_人员计数器价格 人员计数器批发 人员计数器厂家

JPG,500x435,174KB,287_250

客流量计数器 人流量计数器 人数统计器 人员计数器

人口计数器_人员计数器价格 人员计数器批发 人员计数器厂家

JPG,412x429,231KB,250_261

超市商场专卖店连锁店人客流量计数器,人数统计器,双向计数器

人口计数器_人员计数器价格 人员计数器批发 人员计数器厂家

JPG,400x400,231KB,255_255

开关量控制模块报价 厂家

人口计数器_人员计数器价格 人员计数器批发 人员计数器厂家

JPG,600x800,182KB,250_333

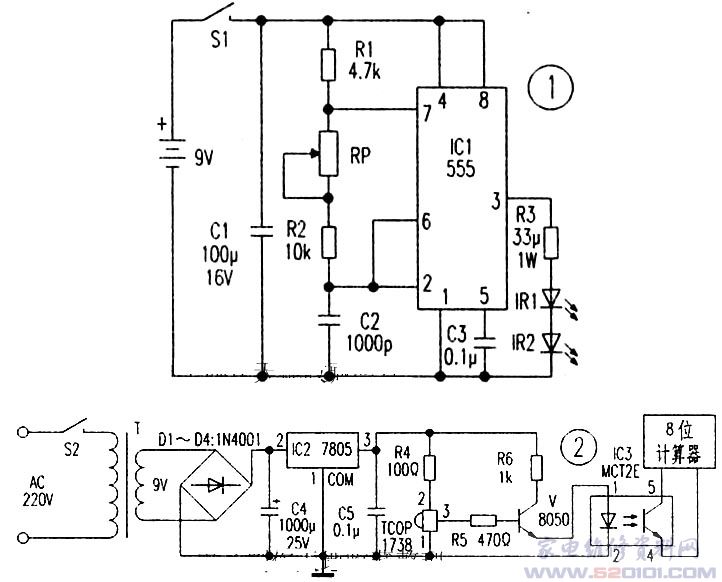
单片机人员计数器 时钟程序设计

人口计数器_人员计数器价格 人员计数器批发 人员计数器厂家

JPG,722x582,234KB,311_250

会展入场人数计数器

人口计数器_人员计数器价格 人员计数器批发 人员计数器厂家

JPG,800x600,174KB,333_250

人员计数器,人员计数器相关信息 成都辰鑫智能设备有限公司

人口计数器_人员计数器价格 人员计数器批发 人员计数器厂家

JPG,210x159,131KB,330_250

客流计数器 客流计数器 人员计数器 人流量计数器

人口计数器_人员计数器价格 人员计数器批发 人员计数器厂家

JPG,220x202,128KB,272_250

人流量统计图片

人口计数器_人员计数器价格 人员计数器批发 人员计数器厂家

JPG,412x429,231KB,412_429

医院病人统计器人流量计数器卫生站精准检测人数的设备无限检测

相关文章